Магазин запчастей для бытовой техники - Arlos
Москва
close
Выберите ваш регион
АбаканАлександровАльметьевскАнгарскАрзамасАрмавирАртемАрхангельскАстраханьАчинскБалаковоБалашихаБеларусьБелгородБердскБерезникиБийскБлаговещенскБратскБрянскВеликий НовгородВидноеВладивостокВладикавказВладимирВолгоградВолгодонскВолжскийВологдаВолховВоркутаВоронежВоскресенскВыборгГатчинаГеленджикГрозныйДедовскДербентДзержинскДзержинскийДимитровградДмитровДолгопрудныйДомодедовоДонецкЕвпаторияЕгорьевскЕкатеринбургЕлецЕссентукиЖелезногорскЖелезнодорожныйЖуковскийЗеленоградЗлатоустИвановоИвантеевкаИжевскИркутскИстраЙошкар-ОлаКазаньКалининградКалугаКаменск-УральскийКамышинКаспийскКемеровоКерчьКировКисловодскКлинКовровКоломнаКомсомольск-на-АмуреКопейскКоролёвКостромаКотельникиКрасногорскКраснодарКраснознаменскКрасноярскКурганКурскКызылЛенинск-КузнецкийЛипецкЛобняЛыткариноЛюберцыМагнитогорскМайкопМалаховкаМахачкалаМиассМоскваМурманскМуромМытищиНабережные ЧелныНазраньНальчикНаро-ФоминскНахабиноНаходкаНевинномысскНефтекамскНефтеюганскНижневартовскНижнекамскНижний НовгородНижний ТагилНовокузнецкНовокуйбышевскНовомосковскНовороссийскНовосибирскНовоуральскНовочебоксарскНовочеркасскНовошахтинскНовый УренгойНогинскНорильскНоябрьскОбнинскОдинцовоОктябрьскийОмскОрелОренбургОрехово-ЗуевоОрскПавловский ПосадПензаПервоуральскПермьПетрозаводскПетропавловск-КамчатскийПодольскПрокопьевскПсковПушкиноПятигорскРаменскоеРеутовРостов-на-ДонуРубцовскРыбинскРязаньСакиСалаватСамараСанкт-ПетербургСаранскСаратовСевастопольСеверодвинскСеверскСергиев ПосадСерпуховСимферопольСмоленскСосновый БорСочиСтавропольСтарый ОсколСтерлитамакСтупиноСургутСызраньСыктывкарТаганрогТамбовТверьТихвинТольяттиТомилиноТомскТроицкТулаТюменьУлан-УдэУльяновскУссурийскУсть-ИлимскУфаУхтаФеодосияФрязиноХабаровскХанты-МансийскХасавюртХимкиЧебоксарыЧелябинскЧереповецЧеркесскЧеховЧитаШахтыЩелковоЭлектростальЭлистаЭнгельсЮжно-СахалинскЯкутскЯлтаЯрославль
  • - бесплатно по РФ
    Автоперезвон. Работает по принципу: Вы позвонили на номер, мы сбрасываем звонок и перезваниваем через 3 секунды.
  • - по Москве
  • 8 (925) 663-83-63

Call-центр

пн-вс: 10:00-19:00

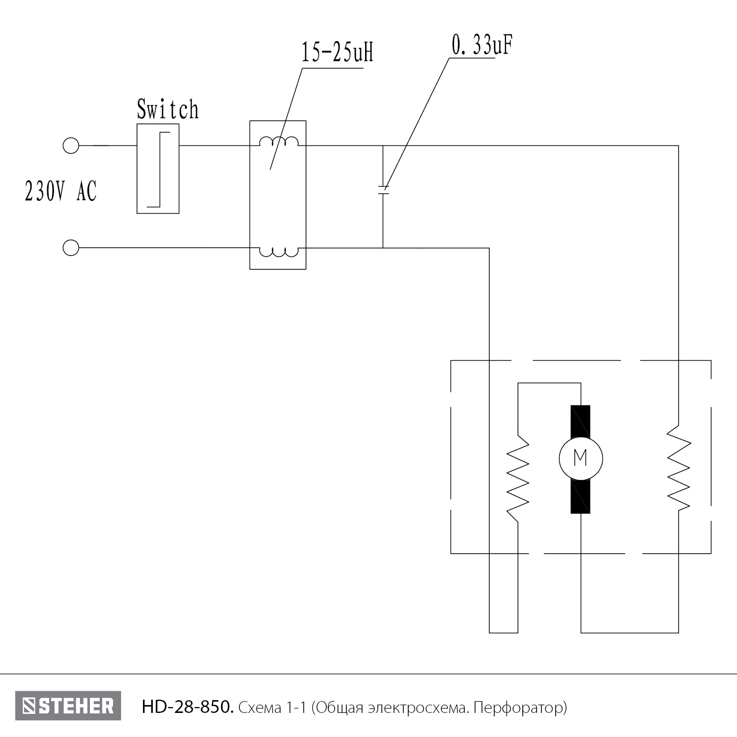
Перфоратор SDS-plus HD-28-850

Данная модель имеет несколько схем

NАртикулНазваниеСрок отгрузкиЦенаКупить
T13 U009-609-RS0 Подшипник шариковый (24х9х7) U009-609-RS0 189 р.
1 N000-016-909 Колпачок пылезащитный 70 р.
1-9 U351-900-017 Шарик стальной D7.14 U351-900-017 84 р.
1.09 U009-607-RS0 Подшипник шариковый 607 RS (19х7х6) U009-607-RS0 для болгарок УШМ-П125-850, AGS-125-1000 286 р.
1.20 U009-608-RS0 Подшипник шариковый 608-2RS (22х8х7) U009-608-RS0 для пил ЗПС-850 Э, ЗПТ-210-1300-Л 306 р.
2 U351-801-002 Кольцо стопорное разрезное D19xh2 92 р.
3 N000-016-910 Кожух патрона 39 р.
4 U351-801-004 Кольцо фиксирующее D32xd21x4 U351-801-004 для ЗП-470Э, ЗП-28-800 К 91 р.
6 N000-027-748 Пластина фиксирующая 166 р.
7 N000-016-370 Пружина коническая D31xd24xh22 N000-016-370 91 р.
9 N000-016-774 Корпус редуктора 328 р.
10 U351-800-012 Сальник D35хd25х7 189 р.
11 N000-016-775 Втулка ствола 55 р.
12 U010-301-200 Подшипник игольчатый HK3012 (37x30x12) 286 р.
13 U009-606-RS0 Подшипник шариковый 606-2Z (40х17х12) ZXBRS 92 р.
14 N000-016-777 Кольцо
15 N000-016-778 Кронштейн планки 36 р.
16 N000-016-779 Пружина
17 N000-016-780 Планка стопорная 64 р.
19 N000-016-782 Переключатель режимов 474 р.
20 N000-016-783 Пружина переключателя
21 N000-016-784 Фиксатор переключателя 4.845 р.
22 N000-016-785 Кольцо уплотнительное D21хd17.4хh1.8 31 р.
23 N000-016-786 Кольцо стопорное 15 р.
24 N000-016-787 Шайба
25 N000-016-788 Пружина
26 N000-016-789 Шестерня z=51 270 р.
27 N000-016-790 Ствол
28 N000-016-791 Кольцо
29 N000-016-792 Сальник D17.5xd9x4 66 р.
30 N000-016-793 Втулка ударника
31 N000-016-794 Ударник 63 р.
32 N000-016-795 Опора
33 N000-016-796 Демпфер
34 N000-016-797 Ловитель
35 N000-016-798 Кольцо уплотнительное D16.8хd9.8хh3.5 31 р.
36 N000-016-389 Кольцо стопорное разрезное 91 р.
37 N000-016-799 Поршень 193 р.
38 N000-016-800 Кольцо уплотнительное D22хd15.6хh3.2 66 р.
39 N000-016-801 Цилиндр 470 р.
40 N000-016-802 Вкладыш 64 р.
41 N000-016-803 Шайба
42 N000-016-804 Кольцо стопорное
43 N000-016-805 Шайба
44 N000-016-806 Пружина
45 N000-016-807 Планка переключателя
46 N000-016-808 Штифт 92 р.
47 N000-016-809 Втулка 131 р.
48 N000-016-810 Промщит 465 р.
49 N000-016-811 Уплотнение 66 р.
50 U501-470-050 Кольцо уплотнительное D23,5 h2 104 р.
51 N000-016-812 Уплотнение 12 р.
52 N000-016-813 Кольцо
53 N000-016-814 Пружина
54 N000-016-815 Шестерня ведущая 234 р.
55 N000-016-816 Промвал 236 р.
56 N000-016-817 Муфта промвала 141 р.
57 N000-016-818 Подшипник качающийся (пьяный) 534 р.
58 N000-016-819 Шестерня z=26 104 р.
59 N000-016-820 Винт M4x12
60 N000-016-821 Шайба
61 N000-016-822 Шайба
62 N000-016-823 Фиксатор подшпника
63 N000-016-824 Шайба
65 N000-016-825 Шайба
67 N000-016-412 Фиксатор подшипника 91 р.
68 N000-016-826 Винт M4x8
69 N000-016-827 Перегородка
69 N000-016-418 Корпус двигателя N000-016-418 для перфораторов ЗП-24-750 К, ЗП-28-800 КМ 551 р.
70 N000-016-269 Винт M4x10
71 N000-016-828 Ротор 1.855 р.
72 N000-016-358 Щетка графитовая (пара) N000-016-358 для П-30-950 М, ЗП-30-900 К 337 р.
73 U351-800-061 Втулка подшипника 607 резиновая 92 р.
74 N000-016-415 Защита статора 577 р.
76 N000-016-829 Статор 1.129 р.
77 N000-016-830 Катушка индуктивности
78-1 N000-016-831 Накладка
79 N000-016-356 Пластина контактная 175 р.
80 N000-016-832 Узел щеточный 343 р.
82 N000-016-359 Пружина щеткодержателя D12xL24xh2.5 122 р.
83 N000-016-833 Переключатель реверса (пара) 92 р.
84 V000-003-261 Выключатель 44-16 6(6)A ~250V 5E4 607 р.
85 N000-016-834 Проводник
86 N000-016-835 Проводник
87 N000-016-294 Шнур сетевой Rubber 286 р.
88 N000-016-836 Воротник шнура
89 N000-016-837 Прижим шнура
90 N000-016-838 Крышка задняя 383 р.
90-1 N000-016-839 Накладка
93 N000-016-842 Хомут
94 N000-016-843 Винт
95 N000-016-844 Фиксатор
96 N000-016-845 Пружина
97 N000-016-846 Корпус
98 N000-016-847 Рукоятка
98-1 N000-016-848 Накладка
98-C N000-016-850 Рукоятка дополнительная в сборе
99 N000-016-849 Глубиномер
Найдено товаров: 98
1
▲ Наверх
0
8 (925) 663-83-63

Call-центр

пн-вс: 10:00-19:00

НАЙТИ ПО МОДЕЛИ
Введите номер заказа
Введите номер своего заказа, что бы узнать его текущий статус.
Что бы получить доступ к расширенным функциям, пройдите не сложную регистрацию. Зарегистрироваться